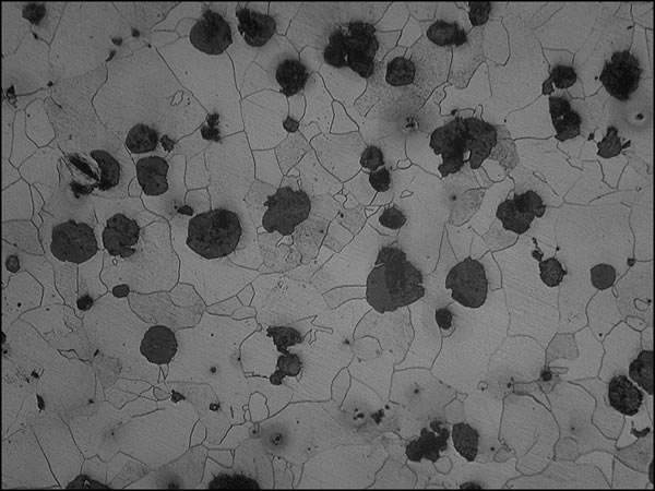
金屬平均晶粒度評定
所屬分類
金屬材料檢測







